Μηχανή Power Skiving για οδοντωτούς τροχούςGleason-Pfauter
300 PS
Μηχανή Power Skiving για οδοντωτούς τροχούς
Gleason-Pfauter
300 PS
Έτος κατασκευής
2023
Κατάσταση
Μεταχειρισμένο
Τοποθεσία
Hameln-Pyrmont 

Εμφάνιση εικόνων
Εμφάνιση χάρτη
Στοιχεία για το μηχάνημα
- Ονομασία μηχανήματος:
- Μηχανή Power Skiving για οδοντωτούς τροχούς
- Κατασκευαστής:
- Gleason-Pfauter
- Μοντέλο:
- 300 PS
- Έτος κατασκευής:
- 2023
- Κατάσταση:
- σχεδόν καινούργιο (μεταχειρισμένο)
Τιμή & Τοποθεσία
- Τοποθεσία:
- 31 Hameln, Deutschland

Καλέστε
Λεπτομέρειες προσφοράς
- Αναγνωριστικό αγγελίας:
- A215-82333
- Αριθμός αναφοράς:
- 2950004
- Ενημέρωση:
- τελευταία στις 24.03.2026
Περιγραφή
Γενικά Στοιχεία
• Τύπος μηχανήματος: Μηχανή γραναρίσματος με κυλιόμενο εργαλείο (Wälzschälmaschine)
• Αριθμός μηχανήματος: 32335
• Έτος κατασκευής: 2023
• Ώρες λειτουργίας: άγνωστες (Η μηχανή χρησιμοποιήθηκε μόνο για δοκιμαστικούς σκοπούς και δεν χρησιμοποιήθηκε ποτέ στην παραγωγή.)
Περιγραφή μηχανήματος
• Μηχανή για γρανάρισμα κατάλληλη για επεξεργασία μαλακών και σκληρών υλικών
Ppjdpfx Aoywyt Sjbmop
• Για κατασκευή αποφλοιώσιμων προφίλ σε κυλινδρικά τεμάχια
• Ιδιαίτερα κατάλληλη για κυλινδρικά γρανάζια με εσωτερική ή εξωτερική οδόντωση
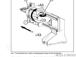
• Εξοπλισμένη με ενσωματωμένη μονάδα επανατροχίσματος
• Άξονες μονάδας επανατροχίσματος: +A3, +C3, +X3
• Ενσωματωμένος περιστροφικός χειριστής για το χειρισμό κατεργαζόμενων τεμαχίων
• Τα τεμάχια μεταφέρονται από τον σταθμό παράδοσης στο τραπέζι εργασίας
• Η κατεργασία πραγματοποιείται με τροχό γραναρίσματος (Schälscheibe)
• Η μηχανή ήταν προσωρινά εγκατεστημένη σε άλλο εργοστάσιο
• Σύμφωνα με αναφορές, η μηχανή λειτούργησε μόνο για μία ώρα ως δοκιμή
Τεχνικά χαρακτηριστικά
Διαστάσεις τεμαχίου
• Εύρος εσωτερικής διαμέτρου: 40 – 300 mm
• Εύρος εξωτερικής διαμέτρου: έως 450 mm
Άτρακτοι
• Άτρακτος εργαλείου (C2): 2.990 στροφές/λεπτό
• Άτρακτος λείανσης επανατροχίσματος (C3): 12.000 στροφές/λεπτό
Υποδοχή εργαλείων
• Διεπαφή εργαλείων: HSK B125
Σύστημα ελέγχου
• Έλεγχος: Sinumerik 840 D
Ειδικά χαρακτηριστικά
• Ενσωματωμένη μονάδα επανατροχίσματος με άξονες +A3, +C3 και +X3
• Ενσωματωμένος περιστροφικός χειριστής για αυτοματοποιημένη μεταφορά τεμαχίων
Λοιπά στοιχεία
• Συνολική ισχύς: περ. 100 kVA
• Τάση λειτουργίας: 400 V AC / 50 Hz
• Διαστάσεις μηχανήματος: περ. 3.900 x 5.700 x 5.400 mm (Υ x Π x Β)
• Βάρος μηχανήματος: περ. 11.000 kg
Προαιρετικός εξοπλισμός
• Υδραυλική μονάδα
• Μεταφορέας ρινισμάτων
• Ψύκτης υγρού κοπής με φίλτρο και φυγοκεντρητή
Η αγγελία μεταφράστηκε αυτόματα. Ενδέχεται να υπάρχουν σφάλματα μετάφρασης.
• Τύπος μηχανήματος: Μηχανή γραναρίσματος με κυλιόμενο εργαλείο (Wälzschälmaschine)
• Αριθμός μηχανήματος: 32335
• Έτος κατασκευής: 2023
• Ώρες λειτουργίας: άγνωστες (Η μηχανή χρησιμοποιήθηκε μόνο για δοκιμαστικούς σκοπούς και δεν χρησιμοποιήθηκε ποτέ στην παραγωγή.)
Περιγραφή μηχανήματος
• Μηχανή για γρανάρισμα κατάλληλη για επεξεργασία μαλακών και σκληρών υλικών
Ppjdpfx Aoywyt Sjbmop
• Για κατασκευή αποφλοιώσιμων προφίλ σε κυλινδρικά τεμάχια
• Ιδιαίτερα κατάλληλη για κυλινδρικά γρανάζια με εσωτερική ή εξωτερική οδόντωση
• Εξοπλισμένη με ενσωματωμένη μονάδα επανατροχίσματος
• Άξονες μονάδας επανατροχίσματος: +A3, +C3, +X3
• Ενσωματωμένος περιστροφικός χειριστής για το χειρισμό κατεργαζόμενων τεμαχίων
• Τα τεμάχια μεταφέρονται από τον σταθμό παράδοσης στο τραπέζι εργασίας
• Η κατεργασία πραγματοποιείται με τροχό γραναρίσματος (Schälscheibe)
• Η μηχανή ήταν προσωρινά εγκατεστημένη σε άλλο εργοστάσιο
• Σύμφωνα με αναφορές, η μηχανή λειτούργησε μόνο για μία ώρα ως δοκιμή
Τεχνικά χαρακτηριστικά
Διαστάσεις τεμαχίου
• Εύρος εσωτερικής διαμέτρου: 40 – 300 mm
• Εύρος εξωτερικής διαμέτρου: έως 450 mm
Άτρακτοι
• Άτρακτος εργαλείου (C2): 2.990 στροφές/λεπτό
• Άτρακτος λείανσης επανατροχίσματος (C3): 12.000 στροφές/λεπτό
Υποδοχή εργαλείων
• Διεπαφή εργαλείων: HSK B125
Σύστημα ελέγχου
• Έλεγχος: Sinumerik 840 D
Ειδικά χαρακτηριστικά
• Ενσωματωμένη μονάδα επανατροχίσματος με άξονες +A3, +C3 και +X3
• Ενσωματωμένος περιστροφικός χειριστής για αυτοματοποιημένη μεταφορά τεμαχίων
Λοιπά στοιχεία
• Συνολική ισχύς: περ. 100 kVA
• Τάση λειτουργίας: 400 V AC / 50 Hz
• Διαστάσεις μηχανήματος: περ. 3.900 x 5.700 x 5.400 mm (Υ x Π x Β)
• Βάρος μηχανήματος: περ. 11.000 kg
Προαιρετικός εξοπλισμός
• Υδραυλική μονάδα
• Μεταφορέας ρινισμάτων
• Ψύκτης υγρού κοπής με φίλτρο και φυγοκεντρητή
Η αγγελία μεταφράστηκε αυτόματα. Ενδέχεται να υπάρχουν σφάλματα μετάφρασης.
Η αγγελία σας διαγράφηκε με επιτυχία
Παρουσιάστηκε σφάλμα





































































































